Werkzeughalter Ultraschall – Serie HBT HBT-40

HBT-Serie
♦ Gut geeignet für CNC-Fräs-, Bohr- und Schleifprozesse
♦ Ausgleichsqualität Grade G2.5
♦ Hohe Präzisions-Rundlaufgenauigkeit <5 μm
♦ 7/24-Kegelsystem
♦ Häufig verwendet in asiatischen Gebieten

Produktinformationen


HBT-40 Ultraschall Bearbeitungs Modul

 

HBT-40 Ultraschall Bearbeitungs Modul

 

In gut geeignet für CNC-Fräs-, Bohr- und Schleifprozesse


Kostengünstige Lösung für die Bearbeitung fortschrittlicher Materialien

 

1. Hohe Drehzahl für die Hochpräzise Bearbeitung Fortschrittlicher Materialien

Das HIT-Ultraschall-Bearbeitungs Modul verwendet eine berührungslose Energieübertragungs Technologie. Ohne die Beschränkung der Spindeldrehzahl und Verbrauchsmaterialien kann die Werkzeugdrehzahl mehr als 24.000 U/min erreichen. Es ist in der Lage, Werkstücke aus fortgeschrittenen Materialien wie Keramik, Glas, Saphir, Hartmetall und Verbundwerkstoffe mit komplexer Geometrie zu bearbeiten.

 

2. "Plug-and-Play-Installation" mit Bequemlichkeit und Flexibilität 

Dank des Plug-and-Play-Moduldesigns und der berührungslosen Energieübertragungs Technologie kann das HIT-Ultraschall-Bearbeitungs Modul flexibel in verschiedene Arten von CNC-Maschinen wie Fräs-, Bohr- und sogar Roboterarme nachgerüstet werden. Das Modul ermöglicht es Herstellern, neue Technologien und neue Ultraschall-Bearbeitungs Prozesse ohne den Kauf teurer, sperriger Maschinen einzuführen.

 

3. Hocheffiziente und Hochwertige Leistung mit HIT-Ultraschall 

Durch die Verwendung von hochfrequenten Ultraschall Vibrationen, die über Werkzeughalter auf Werkzeuge übertragen werden, können harte und spröde Materialien wie Keramik subtil entfernt und Mikrorisse durch starke Kollisionen zwischen Werkzeugen und Materialien verhindert werden. Dadurch kann eine hohe Qualität bei der Verbesserung der Oberflächenqualität der Schneidkante erreicht werden. Je nach Anforderungen an die Produktivität kann mit höherer Vorschubgeschwindigkeit bearbeitet werden, was die Bearbeitungs Effizienz erheblich verbessert.

 

4. Verlängern der Werkzeugstandzeit durch Reduzierung der Schnittkraft

Im Gegensatz zur traditionellen Bearbeitungs Methode überlagern sich die Drehbewegung des Werkzeugs und die zusätzliche axiale Vibration beim Ultraschall Bearbeitung. Dadurch wird die Schnittkraft beim CNC-Fräsen reduziert. Da die Schnittkraft verringert wurde, kann die Standzeit des Werkzeugs verlängert werden.

 

5. Geeignet für Anspruchsvolle Merkmale bei der Bearbeitung Fortschrittlicher Materialien

Das HIT-Ultraschall-Bearbeitungs Modul ist für verschiedene Arten von anspruchsvollen Merkmalen bei der Bearbeitung fortschrittlicher Materialien geeignet. Einige Merkmale wie die Mikrobohrung von Keramik und das Fräsen von hitzebeständigen Legierungen können mit herkömmlichen CNC-Maschinen extrem schwer zu bearbeiten sein oder spezialisierte Maschinen erfordern. Das Modul kann die Qualität und Effizienz signifikant verbessern, indem es Chip-Breite beseitigt, Schneidwärme ableitet und Schneidspäne effektiver durch dichte und subtile Ultraschall Vibrationen entfernt.

 

6. Intelligentes Verfolgungssystem für die Bearbeitung Fortschrittlicher Materialien 

Das HIT-Ultraschall-Bearbeitungs Modul ist eine kostengünstige Lösung mit automatischem Verfolgungssystem, das für eine Vielzahl von Werkzeugen die am besten geeignete Oszillationsfrequenz scannen und sperren kann. Es ermöglicht Kunden, die Produktion sofort zu starten, und bietet eine hohe Flexibilität bei der Kombination mit verschiedenen Werkzeugen.



 

HIT Ultraschall-Werkzeughalter HBT-40 Spezifikation

Modell HBT40
Rundlauf (4D) <5 μm
Betriebsfrequenz      20 ~ 32 kHz   
Maximale Drehzahl               24.000 U/min
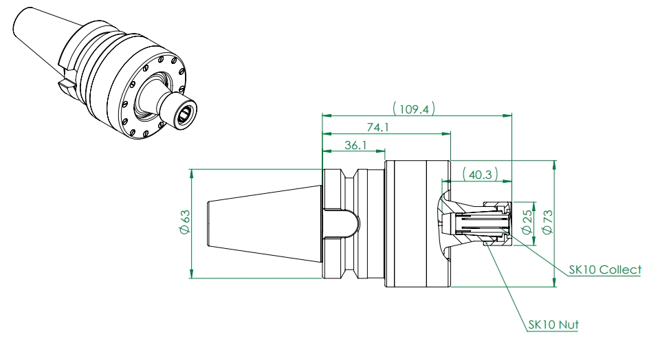
Spannzange Typ SK 06 / SK10          
Gewicht 2 kg
Automatischer Werkzeugwechsel (ATC)        Ja
Kühlmittel durch die Spindel (CTS)          70 bar
*Gemessen mit Hochpräzisions-Spannzange




💡 Einführung in die HIT-Ultraschall Bearbeitungs Technologie


💡 Vorteile der HIT-Ultraschall-unterstützten Bearbeitung von Hochleistungswerkstoffen



📧 Wenn Sie die Bearbeitungseffizienz, die Qualität der Werkstücke und die Lebensdauer der Werkzeuge verbessern möchten, bitte Kontaktieren Sie uns.