
HBT-40 超音波加工モジュール
CNCフライス、ドリリング、およびグラインディングプロセスに適しています
先進材料加工のための費用対効果の高いソリューション
1. 高回転速度による高精度先進材料加工 HITの超音波加工モジュールは非接触電力伝送技術を採用しています。主軸回転速度や消耗品の制約を受けず、ツールの回転速度は24,000rpm以上に達することができます。これにより、セラミック、ガラス、サファイア、タングステンカーバイド、複合材料などの複雑な形状の先進材料ワークピースを加工することができます。
2. プラグアンドプレイのインストールの利便性と柔軟性 プラグアンドプレイのモジュール型設計と非接触電力伝送技術を組み合わせることで、HITの超音波加工モジュールはさまざまな種類のCNCマシンに簡単に取り付けることができます。フライス、ドリリングマシン、さらにはロボットアームにも対応しています。当社のモジュールは、新しい技術や新しい超音波加工プロセスを導入するために、全体的で高価でかさばるマシンを購入する必要なく、すぐに使用できます。
3. HITウルトラソニックの高効率かつ高品質なパフォーマンス ツールホルダーを介して伝達される高周波超音波振動を使用することで、セラミックスなどの硬く脆い材料を微細に削除し、ツールと材料の強い衝突から微細なクラックを防ぐことができます。そのため、切削工具との接触による表面クオリティの向上において高品質を実現できます。モジュールは作業ピースの要件に応じて、高いフィードレートで処理でき、これにより加工効率が大幅に向上します。
4. 切削力を減少してツール寿命を延長 従来の加工方法とは異なり、超音波加工においてはツールの回転運動と追加の軸方向の振動が重ねられます。これによりCNC加工において切削力が低減し、切削力が低減したことでツール寿命も延長されます。
5. 特定の先進材料に適している HITウルトラソニック加工モジュールは、先進材料加工において様々な要求を満たすことができます。セラミックのミクロドリル加工やノメックスハニカムのV切りなど、従来のCNC方法では非常に難しい加工または専用の機械が必要な特徴に対応できます。当社のモジュールは、超音波振動を密集かつ微細に利用して欠け幅を排除し、切削熱を逃がし、切削くずをより効果的に取り除くことで、品質と効率を大幅に向上させることができます。
6. 先進材料加工のためのインテリジェントトラッキングシステム HITウルトラソニック加工モジュールは、自動識別およびトラッキングシステムを備えたコスト効果の高いソリューションであり、幅広いツールに対して同時に最適な振動周波数を検索およびロックすることができます。これにより、お客様は最短の学習曲線で生産を開始し、多様なツールと高い柔軟性で連携することができます。
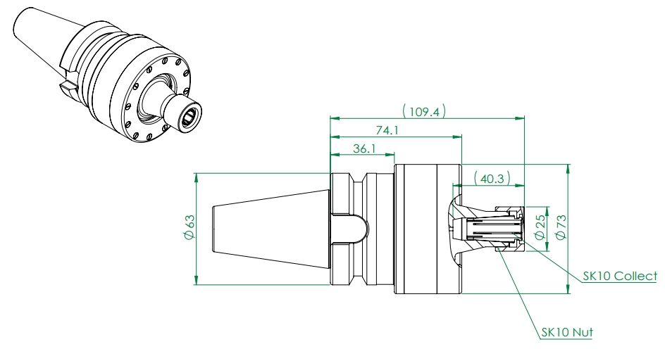
HITウルトラソニックツールホルダー HBT40 仕様
|
モデル
|
HBT40
|
|
振れ精度 (4D)
|
<5 μm
|
|
動作周波数
|
20 ~ 32 kHz
|
|
主軸最高回転速度
|
24,000 rpm
|
|
コレットタイプ
|
SK 06 / SK10
|
|
重量
|
2 kg
|
|
ATC
|
可
|
|
主軸内クーラント対応
|
7 MPa
|
*高精度コレットによる測定。
💡 HIT 超音波加工技術の利点に関する詳細はこちら
💡 先進材料の超音波支援加工の利点について詳しく読む:
📧 当社は、加工効率、品質、ツール寿命を向上させるより良い方法をお探しの場合、お気軽にお問い合わせください。