+886-4-2285-0838#9
sales@hit-tw.com
回首頁
/
網站地圖
/
English
/
简体中文
/
日本語
/
Español
/
Deutsch
關於漢鼎
公司簡介
公司文化
公司沿革
公司願景與使命
產品特色元素
應用影片
最新消息
所有消息
公司動態
展覽訊息
產業新知
新聞快訊
產品介紹
所有產品
超音波加工刀把 - HBT系列
超音波加工刀把 - HSK系列
超音波加工刀把 - CAT系列
超音波加工刀把 - 砂輪系列
超音波驅動模組
產業實例
所有產業實例
精密模具
半導體
電子
光電
航太與汽車
醫療
服務技術介紹
技術介紹
漢鼎解決您的新材料加工難題!
媒體資源
應用影片
下載專區
聯絡我們
聯絡我們
Home
產品介紹
超音波加工刀把 - CAT系列
CAT-40
超音波加工刀把 - CAT系列
CAT-40
CAT系列
♦ 擅用於銑削、鑽孔、磨削
♦ 平衡質量等级G2.5
♦ 高精度跳動<5μm
♦ 7/24錐度系统
♦ 雙重拘束
♦ 美國地區主流是CAT系列
回列表
產品資訊
擅用於
銑削
、
鑽孔
、
磨削
新材料加工最佳解決方案
彈性化模組安裝於各式機台,從導入到生產僅耗費一天
1.
非電能傳輸系統允許高轉速至24000rpm
,適用於高精度先進材料加工
漢鼎超音波加工模組採用
非接觸電力傳輸技術
,由於刀把不受主軸轉速和耗材的限制,轉速可達到
24000
rpm以上,因此可以更經濟地加工具有複雜幾何形狀的高级材料工件,例如陶瓷、玻璃、藍寶石、鎢鋼和其他航太複合材料。
2.
隨插即用模組設計,擁有安装的便利性和靈活性
結合獨特的的
隨插即用模組設計和的非接觸式電力傳輸技術
,漢鼎智慧科技超音波加工模組可以簡易外掛到各式CNC機床上甚至是現正火熱運用於航太產業的機械手臂。顛覆以往導入新技術需耗費大量金錢與時間成本的印象,漢鼎的超音波加工模組讓加工業者無須從國外購入昂貴且占地大的機台,直接以模組形式安裝在您原有的機台獲得立即性的加工性能提升,允許製造商在一天內完成導入和上線生產。
3.
超音波高頻率振動來的高效率、高品質加工性能
以漢鼎專利刀把傳遞高頻率超音波振動於刀尖,讓在Z軸方向的細微振動巧妙地去除堅硬易碎的材料,如陶瓷、藍寶石、鎢鋼、複合材料,由於以細微的振動分散一次直接加工的力道,可以有效防止材料紋理間的微裂。因此,在提高工件的表面品質和節省材料使用方面別具優勢。
而根據工件的要求,我們的超音波加工模組可以允比傳統CNC機台更高的進給率加工,從而提升至少30%加工效率。
4.
超音波振動降低切削阻力,有效延長刀具寿命
與一般CNC加工方法相比,超音波加工使刀具的旋轉運動與超音波加工中的附加振動相互叠加,避免刀具與堅韌材料直接撞擊,因而
切削阻力大幅降低至少40%
,降低切削阻力的同時也延長刀具壽命。
5.
適用新興先進材料和特殊精密加工需求
漢鼎超音波加工模組適用於加工各式先進材料與其精密加工需求,在一般CNC 加工方式難以處理的材料與特徵,超音波加工可有效提升加工的品質與效率。
某些先進材料特徵如陶瓷微鑽孔、Nomex蜂巢型V型切割、鎢鋼鏡面加工,難以通过傳統的CNC機加工加工至成品,最常見的解決方式是購買專用機台與刀具。而漢鼎智慧科技超音波加工模組可以有效利用高頻振動進行切削排除、分散切削熱,而由於不間斷細微地移除材料,也讓減緩及減少毛邊的產生,讓精密加工的品質更優化。
6.針對先進材料開發高效智能自動追頻系統,適用於先進材料加工中各式刀具
漢鼎智慧科技針對先進材料加工需更換特規刀具的特點,開發
自動追掃頻系統
,讓超音波加工模組本身附帶具有自動識別與刀具的最適頻率和鎖頻的功能,讓加工業者可更為彈性的應用於各式刀具,達到僅一天的學習時間導入隨即上線生產。
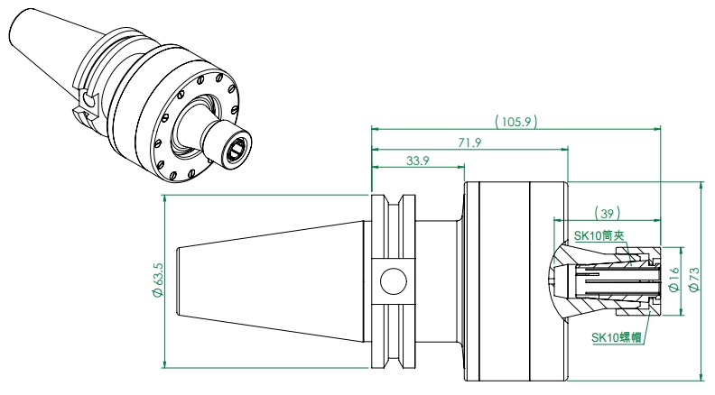
型 號
CAT40
刀具偏擺(4D)
<5 μm*
工作頻率
20 kHz ~ 32 kHz(*52kHz)
最高轉速
24,000rpm
筒夾形式
SK 06 / SK 10
重量
2 kg
自動換刀
有
中心出水
70 bar
*使用高精度等級筒夾
聯繫我們
獲得更完整的解決方案!
漢鼎超音波加工如何提升新材料加工?
超音波加工產業實例