
*Das Ultraschall-Schleifscheibenaufnahmen-Modul umfasst einen Ultraschallgenerator, Ultraschall-Schleifscheibenaufnahmen, einen Leistungsübertrager sowie ein Externes Bedienfeld.
HBT-40-W01 / HSK-A63-W01 Ultraschall-Bearbeitungslösung: Lösung für die Bearbeitung fortschrittlicher Materialien
1. Das berührungslose / drahtlose Leistungsübertragungssystem ermöglicht hohe Drehzahlen und eignet sich für die hochpräzise Bearbeitung fortschrittlicher Materialien.
2. Das modulare Design bietet hohen Komfort und Flexibilität bei der Installation.
3. Die hochfrequente Ultraschallvibration ermöglicht eine hocheffiziente und qualitativ hochwertige Bearbeitungsleistung.
4. Ultraschallvibrationen reduzieren die Schleifkräfte und verlängern dadurch effektiv die Lebensdauer der Schleifscheiben.
5. Das intelligente automatische Frequenznachführungssystem wurde speziell für die Bearbeitung fortschrittlicher Materialien entwickelt.
HBT-40-W01 / HSK-A63-W01 Ultraschall-Schleifscheibenaufnahmen: Produktspezifikationen
| Modell |
HBT-40-W01 / HSK-A63-W01 |
| Auswuchtgüte |
G2.5 |
| Betriebsfrequenz |
20 ~ 34 kHz |
| Maximale Drehzahl |
10.000 min-1 |
| Verriegelungsmechanismus |
Gewindesicherung |
| Gewicht |
2.2 kg |
| Automatischer Werkzeugwechsel |
JA |
| Kühlmittel durch die Spindel |
70 bar |
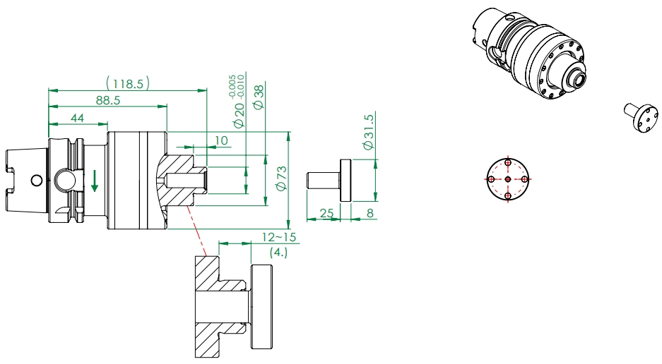
HBT-40-W01-2010 Ultraschall-Schleifscheibenaufnahmen: Produktzeichnung & Abmessungen

HSK-A63-W01-2010 Ultraschall-Schleifscheibenaufnahmen: Produktzeichnung & Abmessungen

【Auswahl der Schleifscheibe】
💡Es wird empfohlen, Schleifscheiben direkt von HIT zu beziehen, um optimale Ultraschallleistung und Vibrationsmoden-Konsistenz sicherzustellen.
Schleifscheibe Typ A

Schleifscheibe Typ B

Schleifscheibe Typ C

Schleifscheibe Typ D

👉🏻 Vorschau auf Anwendungsfälle von ultraschallfähigen Schleifscheibenhaltern:
---- Als das Geheimwaffe zum Eintritt in die Lieferkette der Halbleiterindustrie ----
🔹 Am besten geeignet für das Grobschleifen von fortschrittlichen Halbleitermaterialien.
🔹 Gesamte Bearbeitungseffizienz: 2-3 mal höher
🔹 Materialabtragsrate: mehr als 3 mal höher
🔹 Große Reduzierung der Produktionskosten und des Energieverbrauchs.
【HBT-40 Ultraschall-Schleifscheibenaufnahmen】Nutzenanalyse aus den Vorversuchen

(Bild 1. HIT HBT-40 Ultraschall-Schleifscheibenaufnahmen wurde für das Seitenschleifen von Quarzglas verwendet)
Ultraschallunterstütztes Seitenschleifen von Quarzglas: Bearbeitungseffizienz

(Bild 2. Mit HIT HBT-40 Ultraschall-Schleifscheibenaufnahmen kann die Vorschubgeschwindigkeit bei gleichbleibender Werkstückqualität um das Doppelte erhöht werden, was zu einer doppelt so hohen Bearbeitungseffizienz führte)
Ultraschallunterstütztes Seitenschleifen von Quarzglas: Werkstückqualität

(Bild 3. Mit HIT HBT-40 Ultraschall-Schleifscheibenaufnahmen war die Größe der Randrisse im Vergleich zu ohne Ultraschall bei doppelter Effizienz konsistent)
Ultraschallunterstütztes Seitenschleifen von Quarzglas: Werkzeug Verschleiß

(Bild 4. Mit HIT HBT-40 Ultraschall-Schleifscheibenaufnahmen wies die Oberfläche der Schleifscheibe im Vergleich zu ohne Ultraschall bei doppelter Effizienz nur einen geringen Verschleiß auf)
Wenn Sie nach Möglichkeiten suchen, die Bearbeitungseffizienz, die Werkstückqualität und die Werkzeugstandzeit zu verbessern, Kontaktieren Sie uns bitte.
-
Hantop Intelligence Tech.
✨Lösungsanbieter für fortschrittliche Materialbearbeitungstechnologie und intelligente Automatisierungsmodule✨
☎️ +886-4-2285-0838
📧 sales@hit-tw.com