
*超音波砂輪刀把模組內含:超音波驅動器、超音波砂輪刀把、功率傳輸器,以及外接控制盒。
【HBT-40-W01 / HSK-A63-W01 超音波砂輪刀把模組】先進材料加工解決方案
1. 非接觸式電能傳輸系統允許高轉速,適用於高精度先進材料加工。
2. 模組化設計,擁有安装的便利性和靈活性。
3. 超音波高頻率振動來的高效率、高品質加工性能。
4. 超音波振動降低磨削阻力,有效延長砂輪壽命。
5. 針對先進材料開發高效智能自動追頻系統。
HBT-40-W01 / HSK-A63-W01 超音波砂輪刀把 : 產品規格
| 型號 |
HBT-40-W01 / HSK-A63-W01 |
| 動平衡等級 |
G2.5 |
| 工作頻率 |
20 ~ 34 kHz |
| 最高轉速 |
10,000 RPM |
| 鎖固形式 |
螺紋鎖固 |
| 重量 |
2.2 kg |
| 自動換刀 (ATC) |
有 |
| 中心出水 (CTS) |
70 bar |
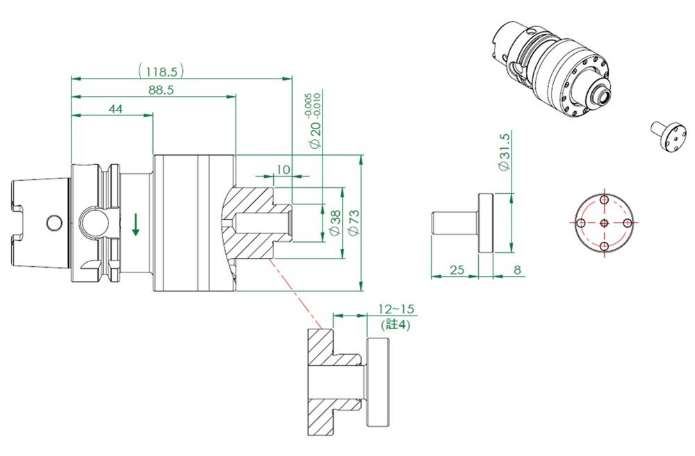
HBT-40-W01-2010 超音波砂輪刀把圖面

HSK-A63-W01-2010 超音波砂輪刀把圖面

【砂輪選型】
💡建議同時向漢鼎採購砂輪,以確保超音波性能與振動模態達到最佳一致性。
A型砂輪

B型砂輪

C型砂輪

D型砂輪

👉🏻 超音波砂輪刀把應用案例搶先看:
---- 踏入半導體產業供應鏈的秘密武器 ----
🔹 適用於半導體先進材料之『粗磨』磨削製程
🔹 提升2至3倍整體加工效率
🔹 提升3倍以上材料移除率
🔹 大幅減少生產成本、能源消耗
【HBT-40超音波砂輪刀把】產品初步測試效益解析

(圖1. 使用漢鼎HBT-40超音波砂輪刀把執行石英側磨-粗磨加工)
『超音波輔助』石英側磨-粗磨加工:加工效率

(圖2. 使用漢鼎HBT-40超音波砂輪刀把輔助石英側磨-粗磨加工測試, 在工件品質穩定前提下, 可提升2倍進給率, 整體加工效率提升2倍)
『超音波輔助』石英側磨-粗磨加工:工件品質

(圖3. 使用漢鼎HBT-40超音波砂輪刀把輔助石英側磨-粗磨加工測試, 加工效率提升2倍下, 相較無超音波, 脆裂邊尺寸穩定)
『超音波輔助』石英側磨-粗磨加工:刀具磨耗

(圖4. 使用漢鼎HBT-40超音波砂輪刀把輔助石英側磨-粗磨加工測試, 加工效率提升2倍下, 相較無超音波, 砂輪僅輕微磨耗)
改善加工效率、工件品質及刀具壽命,順應企業永續ESG趨勢:歡迎聯絡我們
-
漢鼎智慧科技 Hantop Intelligence Tech.
先進材料加工與智慧自動化解決方案模組
+886-4-2285-0838
sales@hit-tw.com